
|
探测器 |
|
|
探测器类型 |
非制冷焦平面 |
|
波长范围 |
7.5~14μm |
|
像素数 |
640×480 |
|
像素尺寸 |
17μm |
|
帧率 |
25Hz |
|
测温性能和图像性能 |
|
|
测温范围 |
参见“MAG62MINI系列热像仪测温分档” |
|
测温精度 |
|
|
热灵敏度(NETD) |
|
|
视场角 |
参见“MAG62MINI系列热像仪视场角分档” |
|
角分辨率 |
|
|
调焦方式 |
电动/手动,电动镜头支持自动对焦,实时显示图像锐度以辅助人工对焦 |
|
清晰成像范围 |
0.3m~∞,部分型号镜头近端距离略大 |
|
发射率和背景温度校正 |
根据输入发射率和背景温度自动校正,发射率0.01~1可调 |
|
滤光片或窗口透过率校正 |
根据输入透过率自动校正 |
|
大气透过率校正 |
根据气象参数自动计算大气透过率并校正温度 |
|
鼠标测温 |
实时显示光标点温度 |
|
测温模式 |
支持全局高低温追踪、全局平均温度、点、线、矩形、圆、椭圆、多边形等多种测温模式,最多可添加100个测温对象。所有测温对象可独立设报警阈值范围、采样周期、绘制历史温度曲线图 |
|
高低温报警 |
控制端声光报警,并记录日志,触发报警时可自动存储温度数据和图像快照。相机端报警输出电平指示 |
|
辅助温度分析 |
相对温度分析、温度直方图分析,历史温度曲线图,线上温度曲线图 |
|
图像冻结 |
支持 |
|
显示增强 |
自动拉伸,带DDE,图像亮度对比度可调,支持手动平台拉伸 |
|
调色板 |
白热、黑热、铁红、彩虹等10种 |
|
电子倍焦 |
2X、4X、全屏显示 |
|
数据存储 |
|
|
报告生成 |
Word格式,带内容选择向导 |
|
测温对象 |
测温对象配置可存储到文件,可从文件读取。每个对象的代表性温度(例如最高温度)数据可保存到文件 |
|
温度数据保存 |
自定义MGT格式可用离线分析软件处理,CSV格式可用EXCEL查看 |
|
温度数据流保存 |
自定义MGS格式,可限制最大尺寸 |
|
温度数据流回放 |
回放带时间戳,可调节播放速度、冻结、循环播放,播放时可进行图像处理,可输出超分辨率图像 |
|
红外图像保存 |
BMP或JPG格式,可选带标记信息或不带标记信息 |
|
视频保存 |
MPEG压缩,可选是否带用户标记信息,可限制最大尺寸 |
|
运行日志 |
自动记录,自动保存 |
|
网络连接 |
|
|
数据接口 |
100M以太网,RJ45接口 |
|
底层协议 |
TCP, UDP, IP, DHCP, ARP, ICMP, IGMP等 |
|
应用层协议 |
RTP, RTCP, RTSP, ONVIF, FTP, Modbus TCP, GigE Vision, SIP(GB28181)等 |
|
环境参数 |
|
|
工作温度 |
-30~60℃,参见下节“MAG62MINI系列热像仪测温分档” |
|
储存温度 |
-40~80℃ |
|
湿度 |
≤85%(非冷凝) |
|
外壳防护等级 |
IP54 |
|
冲击 |
25G,IEC68-2-29 |
|
振动 |
2G,IEC68-2-6 |
|
电磁兼容 |
符合CE/FCC标准 |
|
电气接口 |
|
|
温度数据 |
100M以太网, RJ45接口 |
|
模拟视频 |
选配,PAL制式,带测温区域 |
|
串口 |
RS485,可控制云台 |
|
I/O |
输入FFC触发、抓图触发、检测触发等,输出报警指示 |
|
电源 |
DC 12V,选配POE模块 |
|
功耗 |
2.5 W |
|
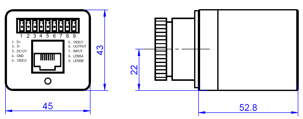
物理属性 |
|
|
尺寸 |
54mm(L)×45mm(W)×43mm(H) (不含镜头) |
|
重量 |
120g(不含镜头) |
|
安装接口 |
M3 螺纹接口,备有三脚架转接件 |
MAG62MINI系列热像仪测温分档
|
测温范围 |
帧率 |
NETD |
测温精度 |
测温环境温度 |
说明 |
|
-20~150℃ |
25Hz |
<50mK |
2℃或2% |
-10~50℃ |
常规型 |
|
-20~300℃ |
25Hz |
<100mK |
2℃或2% |
-10~50℃ |
中温型 |
|
-20~500℃ |
25Hz |
<150mK |
2℃或2% |
0~50℃ |
中温型 |
| 150~1000℃ | 25Hz | \ | 2% | 0~50℃ | 高温型 |
| 250~1600℃ | 25Hz | \ | 2% | 0~50℃ | 高温型 |
|
其余测温范围请来电咨询 |
|||||
MAG62MINI系列热像仪视场角分档
|
焦距 |
视场角 |
角分辨率 |
人体探测/识别/辨认距离 |
车辆探测距离 |
|
7.5mm |
91o×65o |
2.26 mrad |
250m/60m/30m |
510m |
|
10mm |
62.4o×46.9 o |
1.7 mrad |
370m/90m/50m |
800m |
|
15mm |
42o×32o |
1.13 mrad |
540m/140m/70m |
1100m |
|
25mm |
25o×19o |
0.68 mrad |
850m/210m/110m |
1700m |
|
35mm |
17.9o×13.4o |
0.49 mrad |
1200m/300m/150m |
2300m |
|
其余视场角请来电咨询 |
||||


|
数据类型 |
地址 |
功能描述 |
|
保持寄存器 (操作码3) |
0 |
读取或设置热像仪的报警状态,非零值为报警 |
|
1 |
读取或设置热像仪的报警温度阈值 |
|
|
2 |
读取或设置ROI左边界,初值0 |
|
|
3 |
读取或设置ROI右边界,初值383 |
|
|
4 |
读取或设置ROI下边界,初值0 |
|
|
5 |
读取或设置ROI上边界,初值287 |
|
|
输入寄存器 (操作码4) |
0 |
ROI最高温度 |
|
1 |
ROI最高温水平坐标 |
|
|
2 |
ROI最高温竖直坐标 |
|
|
3 |
ROI最低温度 |
|
|
4 |
ROI最低温水平坐标 |
|
|
5 |
ROI最低温竖直坐标 |
|
|
6 |
ROI平均温度 |
|
|
7 |
ROI最大温差 |
|
|
8~65535 |
从ROI左下角开始排列的像素温度 |
注:
1. 坐标均从0开始,以左下角为原点
2. 温度均为int16数据,0.1℃分辨率
3. 端口502
沪ICP备12030846号-1
沪公网安备31010402334559号

QQ交谈